
1.适用范围
ZX15系列电阻器为开启式,适用于交流50HZ、电压至660V以下及直流电压至440V以下的电路中,供作起动,调速、制动、放电及其它用途。其容量为4.6KW,是由铁铬铝合金带绕制成螺旋形管状电阻元件装成。可以代替ZX1系列电阻器应用。具有防震、不易断裂等优点。
海拔高度不超过2500米;
周围介质温度不超过+40℃及不低于-25℃,在24h内的平均温度不超过+35℃;
当+20℃至-5℃时空气相对湿度不大于85%;
周围介质中无足以腐蚀金属和破坏绝缘及有爆炸危险的气体及导电尘埃;
必须有防雨雪设备并不会充满水蒸汽的地区;
在无剧烈震动或颠跛的地区。
2.型号含义
3.主要技术参数
|
型号 |
允许电流(A) |
总电阻(Ω) |
电阻元件 |
||
|
元件 |
发热时间常数T(秒) |
数量 |
|||
|
ZX15-5 |
215 |
0.10 |
ZY-0.08 |
186 |
5 |
|
ZX15-7 |
181 |
0.14 |
ZY-0.112 |
354 |
5 |
|
ZX15-10 |
152 |
0.20 |
ZY-0.16 |
252 |
5 |
|
ZX15-14 |
128 |
0.30 |
ZY-0.24 |
144 |
5 |
|
ZX15-20 |
107 |
0.40 |
ZY-0.08 |
186 |
5 |
|
ZX15-28 |
91 |
0.56 |
ZY-0.112 |
354 |
5 |
|
ZX15-40 |
76 |
0.80 |
ZY-0.16 |
252 |
5 |
|
ZX15-55 |
64 |
1.2 |
ZY-0.24 |
144 |
5 |
|
ZX15-80 |
54 |
1.6 |
ZY-0.32 |
225 |
5 |
|
ZX15-110 |
46 |
2.1 |
ZY-0.42 |
255 |
5 |
|
ZX15-75 |
39 |
3.0 |
ZY-0.60 |
192 |
5 |
|
ZX15-105 |
33 |
4.2 |
ZY-0.84 |
78 |
5 |
|
ZX15-140 |
29 |
5.6 |
ZY-1.12 |
50 |
5 |
|
ZX15-200 |
24 |
8.0 |
ZY-1.6 |
45 |
5 |
|
ZX15-280 |
20 |
11.0 |
ZY-2.2 |
90 |
5 |
4.结构特征
ZX15型系列电阻器采用铁铬铝合金电阻材料,它是一种高电阻电热合金,具有工作温度高,使用寿命长,比电阻大,表面负荷高,电阻温度系数小,比重小等一系列优点。采用铁铬铝合金带材绕制成电阻元件装配ZX15型系列电阻器,以代替ZX1型系列电阻器。
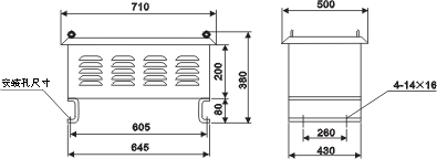
5.外形及安装尺寸
ZX15(ZX10)型户内电阻器外形及安装尺寸
ZX15(ZX10)型户外电阻器外形及安装尺寸
关于我们
公司简介 公司实景产品中心
YZR系列启动调整不锈钢电阻器 YZR系列启动调整普通电阻器 ZX1系列电阻器 ZX2系列绕线电阻器新闻中心
公司新闻 行业新闻联系我们
联系方式 在线留言
微信咨询
手机网站
山东鑫星电气有限公司 Copyright © 2021 版权所有